首页
关于我们
产品中心
日本椿本TSUBAKI链条链轮
日本SHIMPO新宝减速机
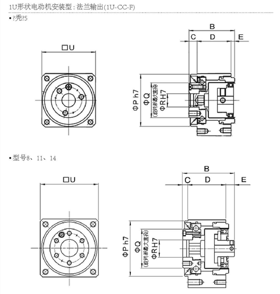
Harmonic Drive谐波减速机
日本NB直线运动产品
日本小原KHK齿轮齿条
台湾高潼V导轨齿条
新闻中心
联系我们
HD谐波减速机CSF mini系列
【产品特点】 ...
详情
联系我们
地址:上海市静安区恒丰北路100号1123室
电话:13671518600(微信同步)
QQ:2567078996
邮箱:13671518600@163.com
关于我们
上海骏銮机械设备有限公司凭大量OEM配套,敝公司赢取得众多优秀品牌的经销权。专业经营进口日本椿本链条TSUBAKI、日本HarmonicDrive(哈默纳科)谐波减速机(机器人核心部件)、AC执行元件,日本KHK齿轮齿条、日本NB滚珠丝杆花键,NB交叉导轨,台湾V型导轨齿条,新宝减速机,日本KG齿轮产品,承接各类非标定制传动部件...
Copyright © 2021 上海骏銮机械设备有限公司 版权所有
本站使用
百度智能门户
搭建
管理登录
沪ICP备2021024814号-1